
Las raíces de las plantas de los humedales suelen estar recubiertas de óxidos de hierro, llamados placas de hierro en las raíces. La formación de placas de hierro en las raíces es una estrategia de supervivencia para las plantas de los humedales en ambientes anóxicos e inundados. Las placas de hierro en la raíz proporcionan una barrera para los metales tóxicos y se ha demostrado que reducen la absorción de Al, As, Sb, Pb y Zn en las plantas de arroz.
Un documento reciente en Annals of Botany indica que el potencial redox es un factor importante que influye en la formación de placa de hierro en la raíz, regulando la translocación de metales en las plantas. Los estudios previos del secuestro de metales por la placa de hierro de la raíz inducida sin tener en cuenta las condiciones anóxicas de la matriz podrían subestimar las funciones de la placa de hierro de la raíz en el secuestro de metales en el campo. Los estudios que no permiten condiciones anaeróbicas durante la formación de placas de hierro pueden subestimar el secuestro de metales en las plantas de los humedales. Hasta qué punto las placas de hierro de la raíz inducidas artificialmente pueden explicar la "historia real" de la retención de metales en el campo requiere más estudios.
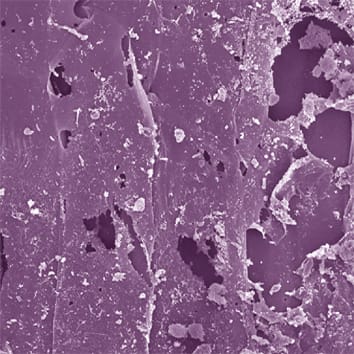
Formación y características de la placa de hierro en la raíz bajo lavado con N2 y sus efectos sobre la translocación de Zn y Cd en plántulas de arroz con cáscara (Oryza sativa). (2013) Anales de Bot any111 (6): 1189-1195. doi: 10.1093/aob/mct072
Las condiciones anóxicas rara vez se consideran en la inducción de placa de hierro en la raíz de plantas de humedales en experimentos hidropónicos, pero tales condiciones son esenciales para la formación de placa de hierro en la raíz en el campo. Aunque la disponibilidad de iones ferrosos y la capacidad de pérdida de oxígeno radial de la raíz generalmente se toman en cuenta, el descuido de las condiciones anóxicas en la formación de placas de hierro en la raíz podría conducir a una subestimación o sobreestimación de sus efectos funcionales, como el bloqueo de la absorción de metales tóxicos. Este estudio planteó la hipótesis de que las condiciones anóxicas influirían en las características de formación de placas de hierro en la raíz y la translocación de Zn y Cd por las plántulas de arroz. Se utilizó un cultivo hidropónico para cultivar plántulas de arroz y se aplicó un enfoque no disruptivo para bloquear el intercambio de aire entre la atmósfera y la matriz de la solución de inducción para la formación de placa de hierro en la raíz, es decir, enjuagar el espacio libre de la solución de inducción con N2 durante la inducción de la placa de hierro en la raíz. . Se añadió Zn y Cd a la solución después de la formación de placa de hierro en la raíz y se determinó la translocación de ambos metales. El bloqueo del intercambio de aire entre la atmósfera y la solución nutritiva mediante el lavado con N2 aumentó el contenido de Fe de la placa radicular entre un 11 y un 77 % (31 % en promedio). El tratamiento de lavado con N2 generó placas de hierro en la raíz con una superficie más lisa que el tratamiento de lavado sin N2, como se observó mediante microscopía electrónica de barrido, pero los oxihidróxidos de Fe que cubrían las raíces de las plántulas de arroz eran amorfos. Las placas de hierro de la raíz secuestraron Zn y Cd y el lavado con N2 mejoró este efecto en aprox. 17 % para Zn y 71 % para Cd, calculado por adiciones únicas y combinadas de Zn y Cd. El bloqueo de la intrusión de oxígeno en la solución nutritiva a través del lavado con N2 mejoró la formación de placas de hierro en las raíces y aumentó el secuestro de Cd y Zn en las placas de hierro de las plántulas de arroz. Este estudio sugiere que los estudios hidropónicos que no consideran el potencial redox en las matrices de inducción podrían conducir a una subestimación del secuestro de metales por las placas de hierro de las raíces de las plantas de los humedales.
